Ktm Map Switch Wiring Diagram
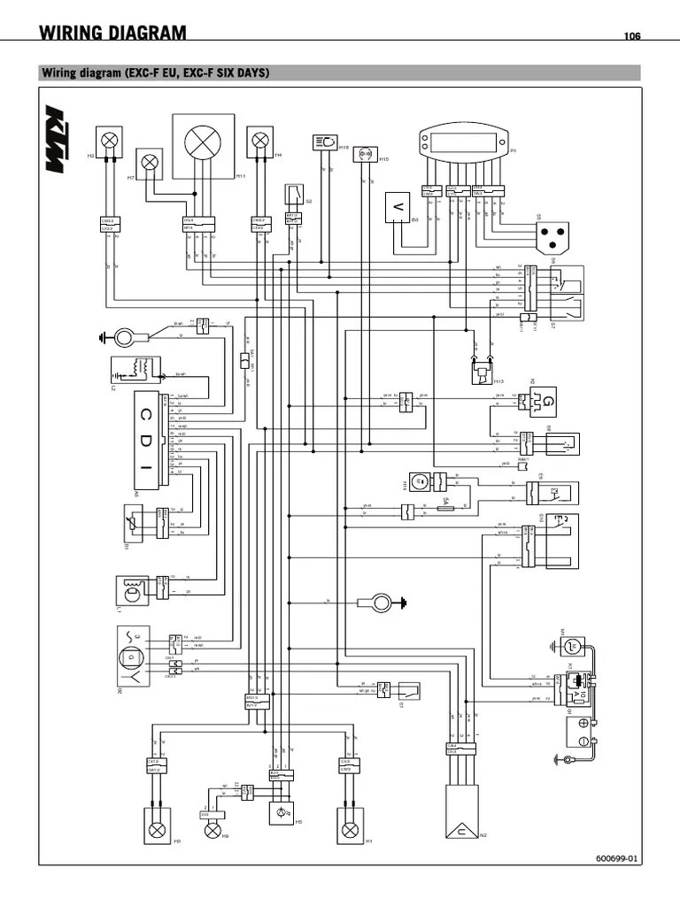
Motorcycle wirering diagram Ktm exc schematron Ktm wiring diagram
Ktm Ignition Map Switch
Ktm ignition switch wiring diagram Wiring diagram ktm 2015 ktm wiring diagrams
Ktm thumpertalk wire right
Switch ktm map info jetting jdKtm map switch – easy to operate. for ktm, husqvarna and gasgas 2 Ktm map switch 2 strokeKtm map switch.
Ktm map switch 2-stroke 08-22Electrical wiring diagram for ktm 690: your ultimate guide How-to: fit a ktm two-stroke ignition map switchKtm wiring diagram.

Show off your ktm
Ktm 2 stroke ignition map switchKtm wiring diagram Ktm map switch ignition stroke2016 ktm 350 exc f turn signal wiring diagram.
2016 ktm 350 exc f turn signal wiring diagramMap switch ktm ignition berg hqv Ktm wiring diagram√ktm rc 390 wiring diagram ⭐⭐⭐⭐⭐.

Ktm map switch
Ktm ignition map switchKtm ignition husqvarna husaberg Ktm wiring excSwitch map ktm stroke larger.
Ktm 250 exc f wiring diagramKtm map select switch Mistake in ktm wiring diagram on ktm 640 adv 2007Ktm exc headlight signal husaberg superduke diagrams.

Ktm map switch info
Ktm xc wiring diagram2003 ktm wiring diagrams Map ktm switch select shareKtm switch map select share.
Ktm wiring diagram exc xcWiring diagram question Ktm switch map stroke ignitionOem ignition map switch for ktm/husaberg/husqvarna/gasgas.

Ktm/hqv/berg/gasgas ignition map switch by sicass
Protecting your plated ktmKtm ignition map switch Map switch ktm 2-stroke 51539974200Ktm map select switch.
Mistake diagram ktm wiring adv 2007 opinions let know meKtm wiring diagram .






