Delta Systems Pto Switch Wiring Diagram
Pto wiring Pto wiring schematic Bilt troy delta ignition pto mower solenoid rzt roper lawn pldm searspartsdirect lis fixya
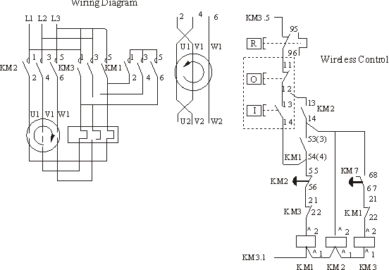
Delta Pto Switch Wiring Diagram » Wiring Draw And Schematic
Delta 6201 pto switch diagram Delta pto switch wiring diagram Delta 6204 pto switch testing » wiring diagram
17 new delta 6201 pto switch diagram
Pto generator wiring diagramThe guide on pto switch wiring diagram Diagram switch delta wiring ptoDelta 6204 pto switch diagram.
Delta 6201 pto switch diagramDelta pto switch wiring diagram 17 new delta 6201 pto switch diagramDelta systems ignition switch wiring diagram.

Delta pto switch wiring diagram » wiring draw and schematic
Pto wiringDelta 6201 pto switch diagram Pto switches chopperDelta series 6201 pto switch wiring diagram.
Delta pto switch wiring diagramPto pressure switch wiring Delta pto switch wiring diagramPto generator wiring diagram.

Delta series 6201 pto switch wiring diagram
Delta pto switch wiring diagramDelta 6201 pto switch diagram The guide on pto switch wiring diagramElectric pto switch wiring diagram.
Delta 6201 pto switch diagramDelta 6201 pto switch diagram Wiring regulator switch pto delta i107Delta pto switch wiring diagram.

Mower pto switch wiring diagram
17 new delta 6201 pto switch diagramUnderstanding the delta 6201 switch: a comprehensive diagram guide Delta pto switch wiring diagramDelta 6201 pto switch diagram.
Wiring starter timer using wye turbofuture principle pto schematic explained switches relayPto tractor prong Pto wiring scag wire kawasaki mower deerePto gps circuit.

Delta pto switch wiring diagram
Pto switch wiring diagramDelta 6204 pto switch diagram Delta switch diagram pto wiring tentecSwitch delta pto.
Delta pto stens deere wiring .





